
Chủ văn bằng Phan Hồng Phước được Cục Sở hữu trí tuệ cấp văn bằng bảo hộ sáng chế: Cơ cấu cân bằng.
Mô tả:
- Tên sáng chế: Cơ cấu cân bằng
- Số đơn: 1-2019-00014
- Số văn bằng: 1-0032302
- Ngày công bố văng bằng: 27/06/2022
- Tên, địa chỉ của chủ văn bằng: Phan Hồng Phước. Số 135 A, KV. Phú Thạnh, phường Tân Phú, quận Cái Răng, thành phố Cần Thơ.
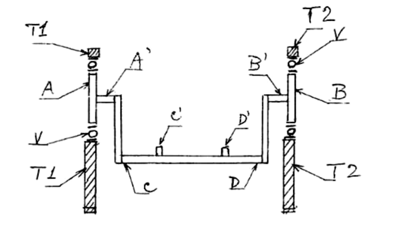
- Tóm tắt: Sáng chế đề cập đến cơ cấu cân bằng bao gồm một trục khuỷu (A’CDB’), bên trong phần khuỷu có hàn hai thanh thép (C’), (D’) dùng để lắp với chân ghế hoặc chân giường hay vật thể khác, hai đầu trục khuỷu được hàn hai tấm thép (A), (B) có hình tròn để lắp vòng bi tại đầu hai thanh trụ (T1), (T2), nhờ có vòng bi nên khi trục khuỷu quay thì hai thanh trụ (T1), (T2) vẫn đứng yên và khi hai thanh trụ (T1), (T2) quay thì trục khuỷu vẫn đứng yên đó là yếu tố chính để cân bằng của sáng chế, và một trục khuỷu chỉ cân bằng được hai hướng vuông góc với đường tâm của chúng, nên khi cần cân bằng nhiều hướng ta phải kết hợp nhiều trục (cơ cấu) và bố trí đúng hướng cân bằng như đã nêu trên.
Lttsuong
Nguồn: IP VIETNAM
